ЗИП и Модули
Картриджи для принтеров
заправка
Поможем купить
Пн-Вс 9:00 - 18:00
Москва и МО 8(495)477-54-85
Регионы РФ 8(800)550-51-42
ОБНОВЛЕНИЕ: 20.04.2026
НОВЫЕ ТОВАРЫ - ССЫЛКА

Направляющая бумаги с фото датчиком Canon QM4-2803 оригинальная [QM4-2803]

Код товара: Л034144
оригинальная, Canon QM4-2803, , Направляющая бумаги с фото датчиком, для струйного принтера, 0 шт подробнее
НЕТ В НАЛИЧИИ
Наличие:
НЕТ
Доставка по Москве:
НЕТ
Доставка возможна:
НЕТ
Canon QM4-2803 Направляющая бумаги с фото датчиком
НЕТ В НАЛИЧИИ

Описание Canon QM4-2803 оригинальная Canon QM4-2803

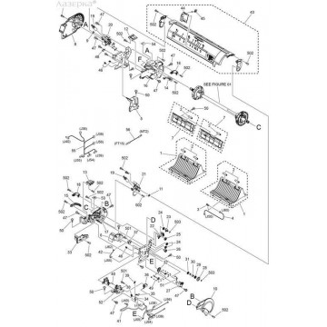
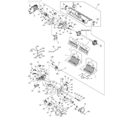
Canon QM4-2803 | QM4-2803QM42803000 | KUA0055C | FK26470000 направляющая бумаги 2 шт. с фото датчиком FEED GUIDE UNIT (L,R), PHOTO-SENSOR (стр.3 поз.1,3) для iPF686, iPF685, iPF680, iPF670, iPF655, iPF650 [QM4-2803-000, KUA0055C, FK2-6470-000, разборка нового плоттера IPF 670]