ЗИП и Модули
Картриджи для принтеров
заправка
Поможем купить
Пн-Вс 9:00 - 18:00
Москва и МО 8(495)477-54-85
Регионы РФ 8(800)550-51-42
ОБНОВЛЕНИЕ: 20.04.2026
НОВЫЕ ТОВАРЫ - ССЫЛКА

Датчик влажности и температуры Canon RK2-2884 оригинальный [RK2-2884]

Код товара: Л034169
оригинальный, Canon RK2-2884, , Датчик влажности и температуры, для струйного принтера, 0 шт подробнее
НЕТ В НАЛИЧИИ
Наличие:
НЕТ
Доставка по Москве:
НЕТ
Доставка возможна:
НЕТ
Canon RK2-2884 Датчик влажности и температуры
НЕТ В НАЛИЧИИ

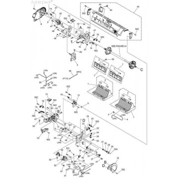
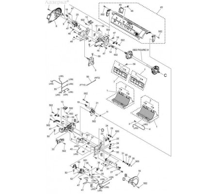
Описание Canon RK2-2884 оригинальный Canon RK2-2884

Canon RK2-2884 | RK2-2884RK22884000 датчик влажности и температуры ENVIRONMENT SENSOR PCB ASSY (стр.3 поз.48) для iPF686, iPF685, iPF681, iPF680, iPF671, iPF670, iPF655, iPF650 [RK2-2884-000, разборка нового плоттера IPF 670] ENVIRONMENT SENSOR PCB ASSY