ЗИП и Модули
Картриджи для принтеров
заправка
Поможем купить
Пн-Вс 9:00 - 18:00
Москва и МО 8(495)477-54-85
Регионы РФ 8(800)550-51-42
ОБНОВЛЕНИЕ: 24.12.2025
НОВЫЕ ТОВАРЫ - ССЫЛКА

Направляющая бумаги Canon QM4-2802 оригинальная [QM4-2802]

Код товара: Л034143
оригинальная, Canon QM4-2802, , Направляющая бумаги, для струйного принтера, 0 шт подробнее
НЕТ В НАЛИЧИИ
Наличие:
НЕТ
Доставка по Москве:
НЕТ
Доставка возможна:
НЕТ

Описание Canon QM4-2802 оригинальная Canon QM4-2802

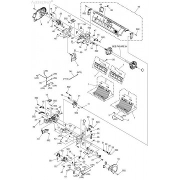
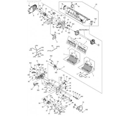
Canon QM4-2802 | QM4-2802QM42802000 направляющая бумаги 2 шт. FEED GUIDE UNIT (U) (стр.3 поз.7) для iPF686, iPF685, iPF681, iPF680, iPF671, iPF670, iPF655, iPF650 [QM4-2802-000, разборка нового плоттера IPF 670]